
ABtecnico
Electrical Design & Engineering
Electrical Design & Engineering
At ABTECNICO ENERGY, Electrical Design & Engineering forms the foundation of our EPC capabilities. We deliver complete engineering solutions for power generation, transmission, and distribution systems, ensuring that every design is technically sound, safe, efficient, and tailored to our client’s specific needs.
Our engineering team combines advanced design tools, international standards, and deep field experience to produce optimized, cost-effective, and sustainable electrical systems for industrial, utility, and infrastructure projects.
Our Electrical Design & Engineering Services Include:
Conceptual and Detailed Design:
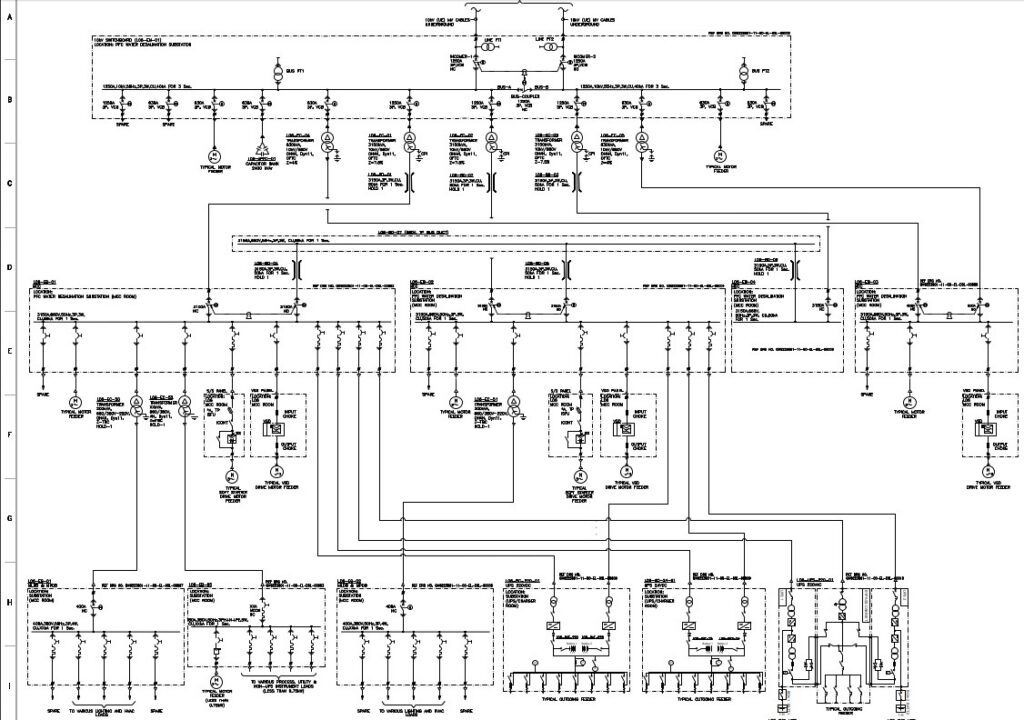
Development of comprehensive electrical system concepts, single-line diagrams (SLDs), and detailed design drawings covering power generation, substations, switchgear, and distribution networks.
Load Flow and Short-Circuit Studies:
Complete system analysis using specialized software to ensure reliability, safety, and optimal equipment sizing.
Protection, Control, and Relay Coordination:
Design and configuration of protection schemes to safeguard assets and ensure continuity of service.
Cable Sizing and Routing:
Engineering of efficient power and control cable networks, with optimized routing, tray layouts, and voltage drop calculations.
Lighting, Earthing, and Lightning Protection Systems:
Design of indoor and outdoor lighting systems, grounding networks, and surge protection solutions that meet international standards.
Automation and Control System Integration:
Incorporating SCADA, PLCs, and DCS architectures into electrical designs to enhance monitoring, control, and operational efficiency.
Preparation of Technical Documentation:
Creation of detailed engineering packages — including bill of quantities (BOQs), equipment specifications, wiring diagrams, and as-built documentation for smooth execution and maintenance.

